中文
ENGLISH
日本語
한국어
首页
产品中心
隔膜阀
定量泵
隔膜泵
针阀 单向阀
压力变送器
流量计
接头连接件
高纯管
扩管器扳手
气压缸
电磁阀
空气过滤器
辅件
产品中心
隔膜阀
定量泵
隔膜泵
针阀 单向阀
压力变送器
流量计
接头连接件
高纯管
扩管器扳手
气压缸
电磁阀
空气过滤器
辅件
行业应用
半导体
光伏行业
能源化工
FPD平板显示器
行业应用
半导体
光伏行业
能源化工
FPD平板显示器
设计工具/下载
设计工具/下载
公司信息
公司简介
资质证书
技术服务
Faq常见问题
生产基地
新闻资讯
公司信息
公司简介
资质证书
硅酮含量认证
专利证书
技术服务
Faq常见问题
生产基地
新闻资讯
联系我们
联系我们
Language
中文
ENGLISH
日本語
한국어
气压缸
首页
»
产品中心
»
气压缸
产品分类
隔膜阀
定量泵
隔膜泵
针阀 单向阀
压力变送器
流量计
接头连接件
高纯管
扩管器扳手
气压缸
电磁阀
空气过滤器
辅件
产品搜索
行业搜索
气压缸
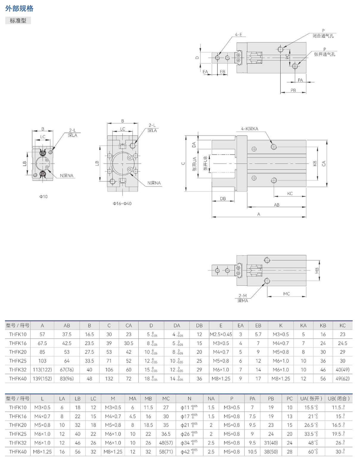
THFK 系列气动手指
产品详情
品牌声明