中文
ENGLISH
日本語
한국어
첫 페이지
제품 센터
격막 밸브
핀 밸브 단방향 밸브
압력 변송기
유량계
조인트 연결부재
고순도 관
확관기 렌치
기압 실린더
솔레노이드 밸브
공기 여과기
보조 부품
제품 센터
격막 밸브
핀 밸브 단방향 밸브
압력 변송기
유량계
조인트 연결부재
고순도 관
확관기 렌치
기압 실린더
솔레노이드 밸브
공기 여과기
보조 부품
업계 어플리케이션
반도체
태양광 산업
에너지 화학
FPD 평면 패널
업계 어플리케이션
반도체
태양광 산업
에너지 화학
FPD 평면 패널
다운로드
다운로드
회사 정보
회사 소개
자격 증명서
기술 서비스
Faq 자주 묻는 질문
생산기지
뉴스 정보
회사 정보
회사 소개
자격 증명서
실리콘 함량 인증
특허 증서
기술 서비스
Faq 자주 묻는 질문
생산기지
뉴스 정보
연락처
연락처
Language
中文
ENGLISH
日本語
한국어
기압 실린더
첫 페이지
»
제품 센터
»
기압 실린더
제품 분류
격막 밸브
핀 밸브 단방향 밸브
압력 변송기
유량계
조인트 연결부재
고순도 관
확관기 렌치
기압 실린더
솔레노이드 밸브
공기 여과기
보조 부품
제품 검색
업계 검색
기압 실린더
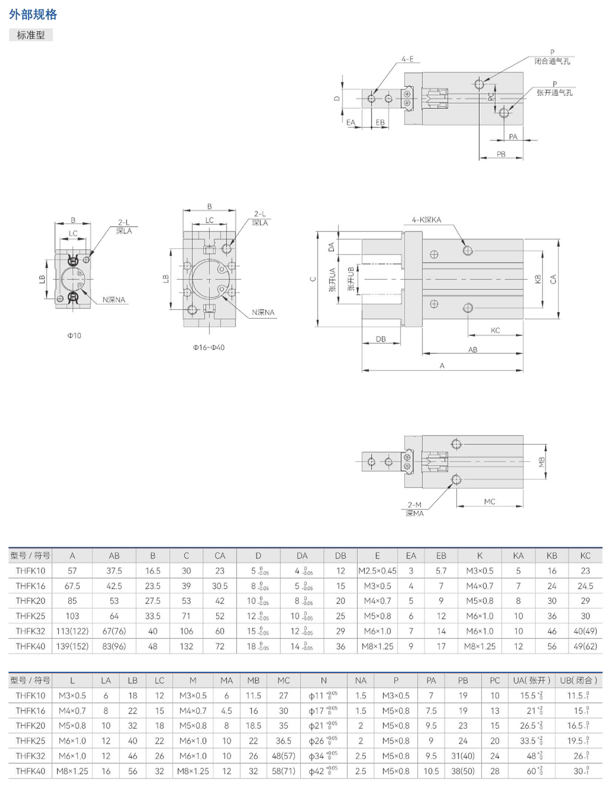
THFK 시리즈 공기압 손가락
제품 상세 정보
브랜드 선언